智能卡式水表系列LXLC-50-300是我公司研制的一種新型的預付費水表,采用先買后用的方式,不僅做到了及時合理的收取費用,還可避免人為因素帶來的水費流失,減少了水務管理部門因上門抄表帶來的人力、財力、物力等的浪費。
LXLC-50-300 IC卡系列水表采用的邏輯加密卡作為數據存儲和傳遞的介質:選用Ⅱ 型防水基表,將控制閥與基表集成一體,結構精巧,可靠性高;控制閥采用無壓損球閥式結構,由微型直流電機變速驅動,工作可靠;高容量鋰電池壽命可達6年以上。
產品介紹:
閥門部分采用電動球閥為引導閥來推動具有保護的自立式液壓寬體膜片主閥開關。小閥和導流部分都采用銅件和不銹銅件使用壽命更具可靠性。控制器采用大規模集成電路,的SMT工藝以及代碼式預付費控制術。產品實現長壽命、抗攻擊、抗干擾、網絡化管理等功能。
控制器技術參數及主要功能
| 電池規格:3.0V~3.6V鋰電池1節(型號18505) |
| 電壓范圍:2.5V—4.0V 電壓不低于2.5V時均能正常工作 |
| 靜電電流:≤2μA |
| 切段時間:≤10 S |
| 采用5線制閥門:電機+紅色、電機-黑色、公共端白色、綠開閥信號、黃關閥信號 或用2線制閥門:電機+紅色、電機-黑色、阻轉電流300ma(到位堵轉/到位斷電) |
| 預付費管理功能:可外接電路控閥門 |
| 景光顯示功能:閥上有透明上蓋可直接裝入電路 |
| 閥門開閉次數:>2千次 |
| 工 作 壓 力:0.05~1.6MPa |
| 壓損:<0.2MPa |
| 內置十分頻器 |
產品規格:DN40-DN300
產品結構形式:分體式,控制器安裝在室內。
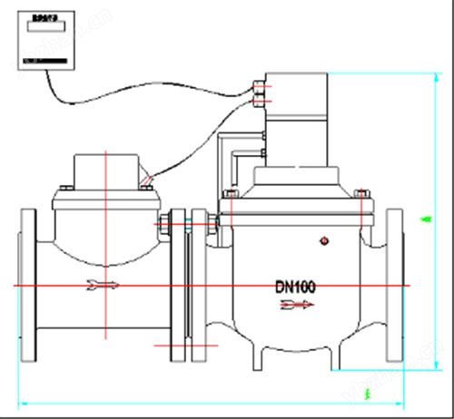
一、 外形尺寸及安裝示意圖
單位:mm
| 序號 | 型號 | 閥長 | 表長 | 總長 | 寬度 | 高度 | 連接法蘭GB/T17241.6-1998 | ||
| 連接法蘭外徑D1 | 螺栓孔中心圓直徑D2 | 連接螺栓n-M | |||||||
| 1 | DN32 | 230 | 230 | 460 | 143 | 250 | 加接管總長574外接管連接螺紋dR1 1/4 ; 表連接螺紋D G1 1/2” | ||
| 2
| DN40 | 205 | 245 | 450 | 150 | 320 | 加接管總長578外接管連接螺紋d R1 1/4 表連接螺紋DG1 1/2” | ||
| 3 | DN50 | 220 | 280 | 500 | 165 | 335 | 165 | 125 | 4-M16 |
| 4 | DN65 | 220 | 200 | 420 | 165 | 335 | 185 | 145 | 4-M16 |
| 5 | DN80 | 300 | 225 | 525 | 200 | 375 | 200 | 160 | 8-M16 |
| 6 | DN100 | 340 | 250 | 590 | 220 | 415 | 220 | 180 | 8-M16 |
| 7 | DN125 | 350 | 250 | 600 | 260 | 450 | 250 | 210 | 8-M16 |
| 8 | DN150 | 420 | 300 | 720 | 285 | 520 | 285 | 240 | 8-M20(1.0MPa) |
| 8- M20(16MPa) | |||||||||
| 9 | DN200 | 440 | 350 | 790 | 340 | 560 | 340 | 295 | 8-M20(1.0MPa) |
| 12- M20(16MPa) | |||||||||
| 10 | DN250 | 570 | 400 | 970 | 370 | 660 | 395 | 350 | 12-M20(1.0MPa) |
| 405 | 355 | 12-M24(16MPa) | |||||||
| 11 | DN300 | 640 | 450 | 1090 | 445 | 700 | 445 | 400 | 12-M20(1.0MPa) |
| 460 | 410 | 12-M24(16MPa) | |||||||
二、 產品優勢
1,自立式先導結構,引導閥不需大扭力就能開啟,主閥只靠閥門本身的水壓就可以開動,解決大表井內無大電源動力問題。
2,引導閥采用浮動球閥原理,已改原來針閥結構從而保證引導閥不在堵塞,不在失靈保證上萬次的正常開啟。
3,引導閥采用雙工原理,可起到前端水壓下降時,后端水不會倒流,有緩閉止回功能。
4,主閥采用美國隔膜閥原理,從而保證主閥不會被卡住,以改活塞閥的缺點。
5, 主閥內大寬流道,保證流通量大、壓損小。
6,隔膜采用三元乙丙膠、中間夾二層尼龍網布、無毒材料,大大加強了產品的使用壽命和安全性。
7,主閥芯軸為不銹鋼軸和閥座采用銅閥座、引導閥組件全采用銅件,保證了閥門的整體性能,不會因銹發生問題。
/






























